Wellgo B087
Фото:https://beru.ru/
Продолжает наш топ легкие педали для велосипеда, предназначенные для жесткой эксплуатации. Привлекательный дизайн не кажется громоздким, несмотря на внушительные габариты. Цельнолитая алюминиевая площадка имеет форменные выступы, позволяющие более комфортно поместить ногу на поверхности, а острые шипы гарантируют качественный зацеп на неровной поверхности. Дополняется конструкция закрытыми промами с двух сторон, что обеспечивает прекрасное вращение и приемлемую выживаемость во время езды. Комфорт дополнен высококачественной осью с шестигранной выборкой на торце, обеспечивающей возможность быстрой замены при помощи стандартного мастер тула. Однако главной особенностью является наличие сменных шипов.
Wellgo B087
Классная подсветка для велосипеда своими руками
Подсветка колёс велосипеда с помощью светодиодной ленты – отличный способ выделить своего двухколесного друга на фоне темноты и удивить прохожих оригинальным видом.
В отличие от разрекламированных светящихся колпачков на ниппель, в данном случае не нужно развивать огромную скорость для создания равномерно светящегося круга. К тому же световой эффект получается намного выразительней.
Так как сделать подсветку для велосипеда, чтобы вызвать восторг у окружающих и зависть друзей?
Что потребуется?
Основным моментом в успешном результате является терпение. Именно терпением придётся запастись, так как на создание светодиодной подсветки для колёс велосипеда может уйти достаточно много времени. Кроме этого, потребуется умение аккуратно лудить и паять. Но всё это оправдано целью, после достижения которой велосипед с таким светодиодным тюнингом станет весьма узнаваем.
Для практической реализации подсветки велосипеда понадобятся следующие материалы и инструмент:
- светодиодная лента;
- батарейка типа «крона» с отсеком для крепления;
- одножильный медный провод типа «витая пара» около 2 метров;
- миниатюрный выключатель;
- прозрачный силиконовый герметик;
- нейлоновые стяжки;
- паяльник, припой, канцелярский нож, кусачки.
Степень защиты светодиодной ленты должен быть не ниже IP65.
Теперь о нюансах. Стандартное велосипедное колесо вмещает 36 спиц, расстояние между которыми около 4 см. Реже встречаются колёса с 32 спицами и немного большим расстоянием между ними. В свою очередь, светодиодную ленту с плотностью 60 шт./м.
минимально можно разрезать на отрезки длиной 5 см. Чтобы поместить такой отрезок между двумя спицами, нужно его укоротить с одной стороны, а значит, остаться без контактов под пайку. Придётся зачищать и лудить тончайшие печатные проводники вблизи smd элемента.
Расход светодиодной ленты SMD 3528-60 шт./м. составит 35*5=175 см.
Более комфортным считается вариант с применением светодиодной ленты двойной плотности SMD 3528-120 шт./м. Её можно разрезать на участки по 2,5 см каждый.
За счет большей стоимости, но меньшей длины, денежные затраты примерно одинаковые.
Использовать для подсветки велосипеда светодиодную ленту другого типоразмера (SMD 5050, SMD 3014 и др.) не рекомендуется из-за повышенного энергопотребления.
Несмотря на то что для полноценного свечения светодиодной ленте требуется 12 В, здесь наиболее удобно применить батарейку на 9 В. Этого напряжения достаточно, чтобы зажечь светодиоды и обеспечить стабильный световой поток. Крона устанавливается в отсек-держатель, внутри которого расположены контакты с выведенными проводами. В идеале нужно купить отсек со встроенным выключателем.
Светодиодная подсветка для велосипеда может быть запитана от небольшого литий-ионного аккумулятора на 12 В, что позволит получить увеличенную светоотдачу и продлить время её работы. Также можно установить кассету с тремя пальчиковыми аккумуляторами на 3,7В. Но эти варианты являются более дорогой и сложной альтернативой.
Инструкция по сборке подсветки велосипеда
На следующем этапе переходят к этапу сборки. Кусочки светодиодной ленты поочерёдно наклеивают между спиц через равные промежутки, учитывая их полярность. То есть светодиодная лента на велосипед должна быть наклеена таким образом, чтобы все контакты для пайки плюса питания были с одной стороны. Если перепутать хотя бы один отрезок, то подсветка колёс велосипеда частично не будет работать.
Затем проводами одного цвета запаивают все отрезки с одной стороны, а проводами другого цвета – с обратной. После этой кропотливой работы стоит проверить качество пайки, а именно, на несколько секунд подать питание от батарейки. Все светодиоды должны засветиться.
В заключении хочется отметить, что наиболее подходящее место для велопрогулок со светодиодной подсветкой – парковые асфальтированные дорожки в сухую летнюю погоду. Конечно, собранная подсветка для колёс способна противостоять небольшим лужам и кочкам. Но лучше объезжать подобные препятствия.
Не обязательно дожидаться полной темноты, подсветка на колёсах велосипеда будет видна даже в вечернее время.
Типы велосипедных фар и фонарей: плюсы и минусы, советы

Установка велофонаря и задней мигалки на велосипед расширяет возможности его эксплуатации, ведь вы сможете кататься не только днем, но и в темное время суток. Перед новичком всегда возникает выбор: а какое же освещение мне подойдет?
Свет на велосипеде делится на передний фонарь для освещения дороги перед собой и на заднюю фару, чтобы обозначить себя для транспорта, едущего позади. К прочим видам можно отнести всяческие мигалки на колёса.
Тактический фонарь на велосипеде
С виду это обычный фонарь, но с помощью специального крепления его можно установить на руль велосипеда. Есть модели как с мощным свечением, так и с умеренным. Зачастую имеются несколько режимов использования.
Тактический фонарь на велосипеде
Преимущества:
- высокая мобильность;
- универсальность;
- простота крепления.
Недостатки:
- время работы;
- нужны обычные или аккумуляторные батарейки.
При использовании на максимальной яркости такой фонарик продержится не слишком долго, поэтому нужно возить с собой запасные батарейки.
Фара на велосипеде
Такой тип освещения выглядит уже солиднее. Тут и яркости поболее, и запас батареи выше, потому что зачастую аккумуляторы внешние и более объемные. Крепятся разными способами, о типах крепления мы поговорим дальше.
Фара на велосипеде
Преимущества:
- мощные светодиоды;
- простое крепление;
- долго работает от одного заряда;
- иногда возможна зарядка на ходу от обычного powerbank.
Недостатки:
- стоят довольно дорого;
- занимают больше места на велосипеде, чем тактический фонарь.
Такие фонари оснащаются разными светодиодами, яркость зависит от их количества, поэтому можно встретить модели как с одним, так и с 5-тью и более светодиодами.
Свет для обозначения на дороге
Существует передний свет, которого будет недостаточно для полноценного катания ночью на высокой скорости, но его вполне хватит для того, чтобы обозначить себя на дороге или ехать медленно.
Маленькая фара на руль
Его преимущество заключается в том, что стоит он недорого, а крепится легко. Недостаток — слабая яркость.
Выбираем свет на велосипед
Основные нюансы, которые следует учесть при выборе:
- габариты;
- интенсивность света;
- крепление;
- элементы питания;
- рассеивание света.
Отдельно рассмотрим крепления. Самый простой тип — эластичный крепеж. Выполненный из силикона ремешок быстро и удобно крепится на любом месте руля, рамы, спиц, заняв для установки несколько секунд времени.
Типы крепления фонарей
Съемное крепление. Наиболее распространенный крепеж в велосипедном мире. Благодаря своей простоте, компактности и удобству «завоевал» весь мир. Чаще всего используется для тактических фонарей.
Крепление на теле. Осуществляется при помощи стяжек на резинке и «липучек». Один из наиболее удобных способов крепления, часто используется велосипедистами для закрепления габаритных фонарей, светоотражающих полос, крепления на рюкзак и шлем.
Задний фонарь на велосипед
Самый важный элемент обозначения велосипедиста на ночной дороге (не считая отражающей жилетки). На темной дороге велосипедиста, не имеющего габаритов становится заметно с расстояния около 30 м.
Задняя мигалка на велосипед
Батарейка находится внутри мигалки. Почти всегда есть несколько режимов работы
При выборе обращайте внимание на количество диодов, яркость и защищенность корпуса от попадания влаги
Велосипедная фара своими руками
Изготовить велосипедную фару своими руками это совсем не сложная работа, но для этого нужно большое терпение и хорошая фантазия. Также помимо этого необходимо приобрести инструменты и материалы для изготовления этого аксессуара.
Материал для велофары:
- Три светодиода Luxeon Star на 1 Ватт или 2/3 Ватт или светодиодная лента на силиконе;
- Перечница из нержавеющей стали;
- Тонкий алюминиевый лист (4-6 мм);
- Болты;
- Термоклей или силикон;
- Термопаста;
- Кабель;
- Тройной коллиматор Френа с держателем;
- Резиновая муфта для подсоединения кабеля;
- Акриловое стекло толщиной 1 мм;
- Уплотнительное кольцо с внутренним диаметром 50 мм и толщиной 2 мм;
- Два электролитических конденсатора 1000 uF 16 Ватт.
Также кроме материала понадобится инструмент для рабочего процесса:
- Паяльник мощностью от 25 Ватт;
- Флюс и припой;
- Канцелярский нож;
- Ножницы;
- Кусачки;
- Отвертка – плоская и фигурная;
- Маркер для пометок;
- Дрель;
- Сверло для дрели на 4 мм.
Схемы и инструкции
Перед началом изготовления велофары нужно разработать схему светодиодных фонарей. Внизу на рисунке показана схема велосипедной фары на трех светодиодах и импульсном DC/DC преобразователе на микросхеме LT1932.

Уровень яркости светодиодах обеспечивается за счет диапазона питающего напряжения от 2 до 12 вольт. Максимальный ток через светодиоды составляет 50 мА. Работа генератора осуществляется на частоте 1 Мгц. Дроссель L1 — готовый, допускающий ток не менее 100mA.
Процесс изготовления велофар своими руками
После того как все материалы и инструменты подготовлены, можно приступать к изготовлению фары. Процесс изготовления состоит из следующих действий:
1. Подготовка диска.
Для этого понадобится лист алюминия толщиной 5 мм. Из него необходимо вырезать диск диаметром 50 мм.

2. Установка светодиодов.
Затем на диске необходимо просверлить три отверстия диаметром 3, 5 мм и установить в них калориметр. После этого в центре просверливается отверстие размером 3,4 мм и нарезается резьба М4. Силиконом или монтажным термоклеем прикрепляются светодиоды. Удерживать их нужно при помощи ножек калориметра.
Светодиоды нужно соединять последовательно. Помимо светодиодов устанавливаются конденсаторы. Для этого в диске делается еще одно отверстие около края, диаметр этого отверстия должен составлять 3,3 мм. Также нужно сделать резьбу М4.
3. Установка крышки и стекла.
Всю конструкцию со светодиодами диском и аккумулятором лучше всего установить в перечницу. Затем вырезается в форме диска акриловое стекло. Стеклянный диск должен точно соответствовать размерам крышки перечницы.
После этого в крышку устанавливается уплотнительное кольцо, стеклянный диск и защитное кольцо. Все эти элементы фиксируются при помощи силиконового клея. Для того, чтобы перечница плотно прилегала к сборке калориметра у нее нужно обрезать нижнюю часть.

4. Присоединение кабеля к светодиодам.
Сбоку перечницы просверливается отверстие и устанавливается резиновая муфта. Затем через нее устанавливается кабель и подсоединяется к цепочке светодиодов. Кабель скрепляется при помощи термопасты. После этого через кабель подается ток к светодиодам.
Использование мощных светодиодов
Для того, чтобы фара светила ярко, лучше всего использовать мощные светодиоды. Однако не каждый знает, какие светодиоды самые хорошие и имеют яркое освещение. На современном рынке предоставлено масса таких осветительных приборов. Наиболее подходящим вариантом для установки светодиодов в велофары являются светодиоды Luxeon.
Самодельная велосипедная фара с тремя светодиодами Luxeon
Фара для велосипеда собственными руками на основе светодиодов Luxeon обладает следующими свойствами:
- Отличная яркость;
- Хорошая сила освещения;
- Металлический корпус;
- Удобная установка;
- Небольшие размеры;
- Хорошая система охлаждения;
- Долговечность;
- Высокий уровень заряда.
Шаг 3: Припаиваем провода к кнопке




Так как светодиодный велосипедный фонарь должен загораться только при работе тормозов, вам нужно подключить кнопку с самовозвратом к уже имеющейся кнопке. Так как ее нужно крепить на рычаг тормоза, то чем меньше она будет, тем лучше.
Я поискал в своей коробке с кнопками, выбрал маленькую кнопку с самовозвратом и припаял к ней двухжильный провод. Такие кнопки продаются дешевыми наборами по 50 штук, еще можно снять их со старых неиспользуемых электроприборов. Теперь вам нужно отрезать кусок провода правильной длины. Можно ориентироваться на фото 4, красная линия отмечает путь прокладки провода.
Электрическая схема моргающего стоп-сигнала «вариант 1».

Мигающий стоп-сигнал своими руками может быть сделан на основе уже известной нам схемы стоп-сигнала с бегающими огнями, о которой рассказывалось в предыдущих выпусках. Схема основана на микросхеме КА561ЛА7, на 2 из ее элементах организован мультивибратор. Для получения более качественного цифрового сигнала на выходе третий элемент микросхемы используется как инвертор, играющий роль сепаратора аналоговой схемы и мультивибратора. Как мы упоминали выше, частота мигания напрямую зависит от ёмкости конденсатора. Зависимость обратная — чем выше ёмкость конденсатора, тем медленнее происходит мигание. С другой стороны, конденсатор с меньшей ёмкостью обеспечит более высокую частоту мигания. Наравне с этим, резистор, находящийся в цепи конденсатора, также имеет некоторое влияние на частоту — через него происходит цикл перезарядки конденсатора.
Шаг 9: Конец работы! Теперь ваше езда на велосипеде стала безопасней
Как я и говорил, этот проект очень простой и легкий, и сборка займет меньше часа вашего времени. Денег на него тоже уйдет не много, зато ваша езда на велосипеде станет намного безопаснее.
Можете посмотреть видео-демонстрацию. Если хотите увидеть, как стоп-сигнал будет выглядеть в действии.
Лазерный стоп сигнал для велосипедаОчень яркий и стильный аксессуар для вашего велосипеда. Кроме обеспечения безопасности на дороге в темное время суток, благодаря разным режимам работы фонаря, вы не останетесь незамечеными на своей лазерной дорожке по бокам велосипеда.3 LED светодиодовВодостойкаяПитание: 2 мизинчиковые батарейки ААА или аналогичные аккумуляторы (батарейки в комплект не входят)Вес: 120 гЦвет: красныйСвет: красныйРегулируемый зажим, прост в установке.Функионал:Режимы работы светодиодов:1. Быстрое мигание (2 режима)2. Медленное мигание (2 режима)3. Непрерывный свет.4. ВыключеноРежимы работы лазера:1. Непрерывный режим2. Мигание3. Выключено1. 7 режимов света (2 лазера, 5 led лампы)2. Обозначение габаритов велосипеда в темное время суток3. Ручное переключение режимовРазмер: 7.8 х 4.6 х 4.6 смВремя работы: от 10 часовСостояние: новоеМатериал: пластикПроизводитель: CE Спортс StoreВысокое качествоКомплектация:1. Фонарь с лазерами.2. Крепление к раме велосипеда.Стильный стопсигнал для велосипедов и другой техники.
ЛАЗЕРНЫЙ фонарь на велосипед 2 лазера + 5 светодиодов красного цвета.Влагозащитный, несколько режимов включения светодиодов и лазера, возможность включать по отдельности.Фонарь и лазеры очень яркие, хорошо видны в дневное время.Работает от двух мизинчиковых ААА батареек.
- Продавец: Андрей
- Цена: 500 руб.
Безопасность – это необходимое условие для комфортной езды на вашем двухколёсном коне. Чтобы обезопасить себя при езде по дорогам на велосипеде, нужно не только быть заметным для водителей авто, аккуратно управлять байком без резких движений, но и являться легко предсказуемым. Как же добиться минимальной вероятности попадания в дорожно-транспортное происшествие?
Почему стоит выбирать led
Диод как основной источник света в системе освещения транспортного средства стал очень популярен по следующим причинам:
- отличный световой поток, который обладает выгодными техническими характеристиками;
- диод работает при небольшом напряжении, что позволяет запитать такую подсветку от автомобильного аккумулятора без особых проблем;
- длительный срок службы, который при правильной установке осветительного прибора, составляет порядка 10 лет;
- диод во время своей работы практически не нагревается;
- устойчивость источника света к механическим воздействиям и вибрациям. Причем устойчивость к вибрациям для машины очень актуальна, так как во время перемещения ее по дорожному полотну многие детали корпуса подвергают незначительным вибрационным воздействиям.
При этом самым главным плюсом, какой имеет диодный источник света, является его цветовое разнообразие. В результате подсветку задних фар можно сделать самой разнообразной, что придаст вашему автомобилю большей уникальности и неповторимости. При этом такую подсветку можно без особых затруднений установить своими руками даже на отечественный автомобиль. В отличие от старых осветительных установок, светодиодные фонари не слепят глаза, а создают мягкое свечение. Благодаря отменным характеристикам свет, который создает диод, будет виден за несколько километров. Доступность светодиодной продукции делает такой вид тюнинга не только самым выгодным, но и доступным способом эффектной и практичной подсветки автомобиля. Сделав все правильно, вы получите красивые задние фары, которые будут отражать вашу индивидуальность.
Пошаговая инструкция и схема по сборке в домашних условиях
Диодные ленты закрепляют на верхних перьях велосипеда с помощью изоленты либо скотча. Вместо диодных лент можно использовать старый велосипедный фонарь. Его крепят хомутами сзади, под сиденьем. Батарею разместите так, чтобы не создавала помех при езде. Подключите плюс к светодиодной ленте. Рекомендуется устанавливать аккумулятор между верхними перьями либо под седлом.
Пружину наденьте на тормозной трос, после чего прикрепите к ней провод ленты. Металлическую пластину закрепите на неподвижной велосипедной детали. Присоедините к ней минус батареи с помощью паяльника. При нажатии тормоза цепь будет замыкаться, благодаря чему загорится свет.
Какими свойствами должен обладать замок
Начнем с самого простого устройства. Таким является замок. Сегодня – это интеллектуальное устройство, управление которым осуществляется через приложение на смартфоне. Такие замки обычно оснащаются модулем мобильной связи и GPS ресивером на случай кражи. Причем их не обязательно приобретать в торговой сети. Человек имеющий начальные знания в этой отрасли сможет собрать простейший GPS маяк для велосипеда своими руками.
Смотрим видео, информация о велозамках и их эффективности:
Можно, конечно, обходиться и обычным замком классической конструкции. Такие обычно навешиваются на трос, которым велосипед крепится к какой-либо опоре. Но они уже не являются надежной защитой от угона и тем более не смогут оказать помощь в поиске байка.
Поэтому большинство владельцев такого вида транспорта предпочитают объединять замок с сигнализацией. Особенностью этого устройства является возможность издавать громкий, не совсем приятный для человеческого уха звук. Причем срабатывает сигнализация при малейшей вибрации, что значительно увеличивает шансы владельца на то чтобы остановить вора.
Существуют и другие варианты таких совмещенных устройств. В них сигнализация чаще всего спрятана в рулевой втулке и при попытке угона отправляет СМС на мобильный телефон владельца.
Wellgo В223ВР
Фото:https://beru.ru/
Далее на очереди изделие, полюбившееся многим любителям как горных велосипедов, так и стиля ВМХ. Прозрачная полимерная основа способна удивить запасом прочности и приковать любопытные взгляды. Пластиковая основа создана по запатентованной технологии производителя, что обеспечивает достаточную устойчивость к ударным нагрузкам. Также основа обладает достаточной прочностью для установки промышленных подшипников. Самым интересным пользователи считают полную прозрачность, таким образом можно детально рассмотреть, что происходит внутри корпуса. К недостаткам велосипедисты относят невозможность сменить изношенные шипы, что говорит о предстоящей полной замене педали, и значительно сказывается на возможности многолетнего применения.
Педали платформенные Wellgo B223BP
Фары для велосипедов — брендовые или «китайские»?
Хорошие фары на современный велосипед — это удовольствие не из дешевых. И естественно, перед каждым велолюбителем, серьезно относящимся к своему двухколесному другу, встает проблема выбора — купить дорогостоящие фары известных европейских и американских производителей или обойтись гораздо более дешевой светотехникой китайского производства?
Качественная фабричная китайская вело-фара может стоить около 2 500 рублей. Цена же брендовой модели такого же класса будет раз в 5, а то и в 6 выше. При этом технические параметры, а также срок службы и того, и другого светового оборудования будут примерно одинаковы. Ведь все попадающие на прилавки магазинов приборы велосвета, независимо от производителя, должны иметь качественный сертификат ISO 9001. А там четко прописаны требования, которым соответствуют и китайский, и европейский, и американский велосвет.
Каждый велосипедист выбирает для себя фару (фары) сам. В соответствии с собственными эксплуатационными требованиями и представлениями о хорошей вело-оснащенности. Но безусловно, есть и общие правила, которых следует придерживаться.
Обзор заднего габаритного фонаря
Горизонтально-вертикальное крепление
Фара защищена от влаги, USB разъем затыкается резиновой пробкой, кнопка включения защищена красной резинкой. Больше там воде протекать неоткуда, от брызг воды с заднего колеса спасает нормально. Сверху же фара “прикрыта” сиденьем.
Я поставил вертикально
После выигрыша заднего фонаря на аукционе eBay мне ее прислали довольно оперативно. Я ее зарядил, проверил длительность работы во всех режимах. Их три. Первый — “в пол-накала” — работает 4 часа. Второй — максимальная яркость — работает 2 часа. Третий — моргающий режим “выключено — максимальная яркость” — работает 4 часа.
Крепеж простой
Вообще ничего не стоит заряжать фару после 5-6 поездок, чтобы она попросту была всегда заряжена, и не выключилась бы где-нибудь в самый ответственный момент.
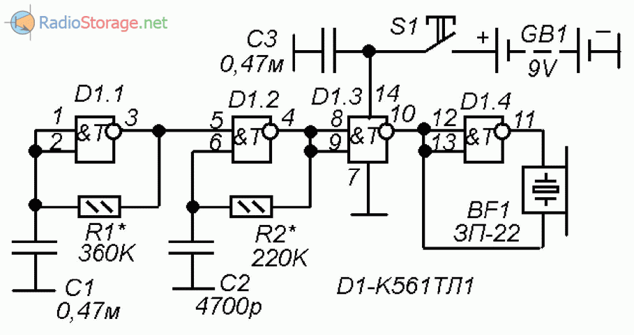
Принципиальная схема
Схему можно увидеть на рисунке в тексте. Схема построена вокруг одной КМОП-микросхемы — К561ТЛ1.
![]()
Рис. 1. Принципиальная схема простого электронного звонка для велосипеда.
Это четыре логических элемента «2И-НЕ», как у К561ЛА7, но с встроенными триггерами Шмитта. Наличие триггеров Шмитта, в данном случае, позволяет строить RC-мультивибратор минимум на одном элементе (у К561ЛА7 — минимум на двух).
Звук состоит из основного тона частотой около 1500-2000 Гц и прерывающего частотой около 8-10 Гц. Генератор основного тона выполнен на логическом элементе D1.2. Частота зависит от цепи C2-R2 и регулируется подбором сопротивления R2. Генератор прерывания выполнен на логическом элементе D1.1. Частота прерывания зависит от цепи C1-R1 и регулируется подбором сопротивления R1.
С выхода генератора тона импульсы поступают на мостовой усилитель на логических элементах D1.3 и D1.4. Они инвертируют импульсы. Пьезоэлектрический звукоизлучатель BF1 включен между выходами этих элементов, и на него поступают противофазные импульсы.
В результате фактический размах переменного напряжения на BF1 оказывается удвоенным. Соответственно, и громкость звука больше.
Магазинные варианты защиты
В веломагазинах набалдашники на перья байка стоят от 100 до 1000 рублей. Их производят как именитые бренды (Shimano, Cube), так и неизвестные фирмы. Чем качественнее материал и прочнее сшит, тем выше стоимость защиты.
Например, чёрная неопреновая защита длиной 26 сантиметров обойдётся в 300 рублей. Прозрачная или чёрная защитная наклейка от Lizard skin обойдётся в 900 рублей. Пластмассовую защиту купить можно за 150 рублей, подобрав нужный яркий цвет, но прослужит такое «оперение» недолго. При этом размеры у заводской защиты пера стандартные, она не подойдёт для самостоятельно собранного байка или велосипеда с необычными характеристиками.
Защита пера велосипеда имеет широкий спектр цветовой гаммы, чтобы подобрать под цвет рамы велосипеда. Нелишними являются светоотражающие надписи, заметные в темное время суток и работающие в качестве светоотражателя, которые будут нелишними в для безопасности.

Заводская защита
На некоторые велосипеды при изготовлении сразу клеят специальную пленку. Но это скорее бутафория, так как свои функции такая защита выполняет плохо. Пленка от пары ударов цепи рвется и стает никуда не годной. Но поначалу можно кататься и с ней. Потом надо будет взять уже что-то посерьезней.
https://youtube.com/watch?v=mgC8XL23mfE
Описание электрической схемы
Для практической реализации приведенной схемы необходим мультивибратор, основу которого составляет микросхема DD1 К561ЛА7 и микросхема-счетчик DD2 К561ИЕ8. С помощью первой микросхемы создаются импульсы, включающие светодиоды. Благодаря микросхеме-счетчику осуществляется переключение питания для определенных групп светодиодных огней.
Транзисторы VT1-VT2 используются в качестве усилителей, которые открываются благодаря напряжению, поступающему с ноги счетчика. Конденсаторы С2 и С3 играют роль фильтров питания. Подбирая емкость конденсатора С1, можно уменьшать или увеличивать, когда будут переключаться светодиоды. Для монтирования конструкции светодиодного стопа лучше всего подойдет печатная текстолитовая плата с размерами 37 х 50 мм.
Габариты печатной платы
Габариты печатной платы
Данная конструкция требует минимальную силу тока и почти не нагревается. Это дает возможность сборку, которая управляет светодиодами, сделать в этом же корпусе стоп-сигнала. При этом питание можно подключить к снятой штатной лампе.
Ниже приведена схема, которую легко реализовать.
Реализация мигания светодиодов
По данной схеме группы светодиодных лампочек подключают к выводам Out1 — Out3. Сколько светодиодов будет в целом, зависит от питания. Если лампочек слишком много, то учитывать нужно, какое питание поступает на схему от бортовой сети, составляющее 12 В. Транзисторы КТ972А необходимо защитить с помощью теплоотводящих радиаторов. По желанию можно транзистор КТ972А заменить парой менее мощных транзисторов КТ315 и мощным элементом КТ815 или аналогичными элементами.
Детали DD1.1 и DD1.2, включенные в схему, играют роль генератора, который служит для подачи импульсов на вход счетчика К561ИЕ8. Аналогично предыдущему случаю, с помощью счетчика генерируются управляющие импульсы для транзисторов. Подбирая сопротивление R6, значение его номинала должно составлять не менее 1 кОм. Для создания бегущих огней можно использовать печатную плату. Благодаря навесному монтажу конструкция получается миниатюрных размеров.
Миниатюрные размеры платы
Естественно, светодиодные лампочки размещают прямо на панели стоп-сигнала, так как печатная плата слишком мала, чтобы поместить на нее светодиоды. Следует помнить о надежности, поэтому необходимо обеспечить максимальную защиту электрических соединений и контактов от попадания влаги. Для обеспечения питанием дополнительного стопа его подключают к проводке основного стопа в багажнике. Возможен вариант подключения к плате световых приборов.
Как сделать велосипедные стопы своими руками
Процесс легкий и простой, состоит из нескольких шагов:
Материалы и инструменты
Материалы:
- дешевый фонарь для велосипеда,
- провод с двумя жилами,
- мини-кнопка с самовозвратом,
- термоусадочные трубки,
- пластиковые хомуты.
Опционально:
- 1×10мм яркий красный диод,
- 2×5мм ярких красных диода,
- маленькая трубка.
Инструменты:
- паяльник,
- отвертка,
- фонарь.
Увеличиваем яркость (опционально)
Так как штатный диод моего дешевого фонаря слишком тусклый, я решил заменить его на более яркий, оставшийся от другого проекта. Я просто выпаял три тусклых диода и припаял на их место три ярких (также я заменил китайскую батарейку на более мощный элемент питания).
Припаиваем провода к кнопке
Так как светодиодный велосипедный фонарь должен загораться только при работе тормозов, вам нужно подключить кнопку с самовозвратом к уже имеющейся кнопке. Так как ее нужно крепить на рычаг тормоза, то чем меньше она будет, тем лучше.
Я поискал в своей коробке с кнопками, выбрал маленькую кнопку с самовозвратом и припаял к ней двухжильный провод. Такие кнопки продаются дешевыми наборами по 50 штук, еще можно снять их со старых неиспользуемых электроприборов. Теперь вам нужно отрезать кусок провода правильной длины.
Паяем провод к фонарю
Фонарь, который мне продали, был без винта, который держит корпус закрытым, поэтому у него в нижней крышке пустое отверстие.
Сначала я хотел подобрать винт, подходящий по размеру, к этому отверстию, но потом, увидев, что корпус сам по себе держится закрытым, решил пропустить в это отверстие провод.
Я пропустил в отверстие двухжильный провод и припаял каждую жилу к контактам штатной кнопки включения фонаря. (О полярности можно не беспокоиться, так как это просто реле, соединенное с другим реле, можно припаять одну жилу к левому контакту, а другую — к правому, и наоборот).
Проверяем работу фонаря
Меньше 10 минут ушло у нас на усиление яркости фонаря и припаивание самовозвратной кнопки. После соединения кнопок в цепь задний фонарь может гореть в двух режимах.
Крепим провод на рычаге тормоза
Чтобы закрепить провод, я использовал пластиковые хомуты. Чтобы конструкция выглядела немного круче, я использовал пластиковую трубку, такие обычно используются в аэрозольных баллончиках. Хвост хомута, прежде чем протянуть в карабин, надо пропустить через 5мм кусок пластиковой трубки, в образовавшейся петле должен находиться провод. (Чтобы зафиксировать кнопку стоп-сигнала на рычаге тормоза, я использовал кусок канцелярской резинки).
Крепим провод на велосипеде
Кстати, рекомендуем:
- Велосипед едет со скоростью
- Коляска-велосипед для мамы и ребенка (детская коляска-велосипед)
- Велосипед с родительской ручкой
Оставшуюся длину провода я решил закрепить не на раме, а на тормозном проводе. (если вы, как и я, использовали серый провод, и вам не нравится его цвет, можно покрасить его аэрозольной черной краской или сразу купить черный провод).
Закрепляем кнопку и фонарь
Чтобы закрепить фонарь на стойке сиденья, я взял пару хомутов и кусок камеры колеса, чтобы фонарь не скользил по металлу стойки. Поверх кнопки я положил кусок тонкого поролона (чтобы она не залипла во включенном состоянии), и обмотал ее изолентой.


























