Простой электронный звонок для велосипеда (К561ТЛ1)
При желании заменить обычный механический звонок велосипеда электронным, можно сделать такое несложное устройство, схема которого описывается здесь. Главным достоинством этого устройства является мизерный ток потребления при достаточной громкости звучания. Достигнуто это тем, что в качестве акустического элемента в этой схеме используется пьезоэлектрический звукоизлучатель от старого кнопочного телефона. Он звучит громко, но тока потребляет немного. А в режиме молчания схема вообще ничего не потребляет, потому что питание на неё подается только во время звонка.
Еще одним достоинством можно признать возможность работы в очень широком диапазоне напряжения питания, — от З до 15V. Но, чем ниже напряжение питания, тем ниже громкость. Оптимальным, по отношению габаритов к громкости является питание напряжением 9V от батареи «Кроны», или её аналога.
Воздушные гудки: пневмосигналы и клаксоны
Из названия понятно, что этот велосипедный сигнал приводится в действие воздухом под давлением. Здесь не нужны батарейки, такой прибор проще в эксплуатации, а гудит не тише своего электрического «конкурента» и тем более ударного звоночка. Существует два типа воздушных аудиосигналов – пневматический гудок и клаксон.
Пневмогудок – система подачи звука, которая состоит из:
- воздушного резервуара;
- трубки изогнутой формы;
- транзитного шланга;
- ниппеля для закачивания воздуха;
- кнопки спуска;
- креплений на раму и руль велосипеда.
Воздух в бутылке находится под давлением. Закачивание происходит через автониппель, заправлять резервуар можно обычным насосом для колес.
Автомобильный ниппель под пневмосистему
Как работает пневматический сигнал:
- Опускаем белую крышку на ниппель – это нерабочее состояние гудка.
- Нажатием на выступ крышки золотничок опускается, создается разряжение, благодаря чему происходит выталкивание воздуха из бутылки.
- Пройдя через транзитный шланг, воздух попадает в изогнутую трубку и совершает колебания определенной частоты.
- При отпускании края крышки золотник возвращается на место и выпуск воздуха прекращается.
Звук пневматического гудка довольно резкий, но не врезается в уши, в отличие от электросигнала. Хорошая вещь для звукового оповещения пешеходов, автомобилистов и других велосипедистов о возможной аварийной ситуации. Минусом пневматики будет достаточно быстрый спуск воздуха из бутылки и полная зависимость от состояния ниппеля – при поврежденной пружине золотника гудок работать не будет.
Эстетическая сторона: больше подходит дорожным моделям, круизерам, чопперам и облегченным сити-моделям. Не очень хорошо смотрится на горных велосипедах и совсем не идет гибридам и шоссейникам.
Клаксон – по сути та же пневмосистема, только проще. Выглядит вот так:

Упрощенная модель – клаксон с прямым выходом воздуха. Смысл его, однако, не меняется: воздух с силой проходит через расширяющуюся трубку и создает волну определенной частоты. Для восприятия звук более естественен. Пешеходы и автомобилисты реагируют на него спокойно и без раздражения, поэтому на сити-байках лишь рекомендуется ставить клаксоны взамен обычным звоночкам.
Из чего состоит клаксон:
- прямая или фигурная трубка;
- резиновая груша;
- жесткое и надежное крепление на руль.
В общем, все сердито, просто и достаточно дешево. И вместе с тем плюсы клаксона в сравнении с другими сигналами:
- никаких дополнительных шлангов и проводов;
- компактный, в отличие от пневматики, где много места займет бутылка;
- мягкий и громкий звук;
- неповторимый ретро-стиль.
По универсальности, правда, этот гудок подкачал: он прекрасно впишется в стиль сити-байков, ретро-велосипедов, чопперов и т.д. А вот на моделях, имеющих даже малую долю спортивности, будет смотреться нелепо.
Веломигалка: характеристики, плюсы и минусы
Итак, посмотрим, что есть полицейская мигалка на велосипед. В качестве примера возьмем стандартный комплект, который был изображен на картинке:
- сигнально-световой прибор;
- пульт переключения сигналов;
- провод;
- крепления под мигалку и пульт управления звуком.
Классическая сирена работает от батареек, они вставляются в середину сигнально-светового корпуса:

Кнопка включения/отключения света расположена на нижней стенке корпуса. Через крепление он устанавливается на видимое место для окружающих – середину или края руля (если установлена обычная световая фара). Чуть сбоку, и насколько позволяет провод, крепится пульт управления сигналом. С помощью кнопок на нем можно выбрать один из сигнальных режимов.
Мигалка для велосипеда может быть использована в нескольких случаях:
- в спорных ситуациях на проезжей части: например, проезд прямо там, где поток машин сворачивает направо (но правила разрешают ехать прямо), при проезде по главной дороге, завершении маневра на красный свет (чтобы подождали и успели пропустить) и пр.;
- предупредительные сигналы пешеходам и другим велосипедистам;
- вы являетесь представителем велополиции.
Зачастую сигналки на велик ставят из чистого любопытства. Ну что же, дело каждого. Стоит напомнить, что светодиоды мигалки проблескивают достаточно ярко, а сигнал раздражающий, что доставит дискомфорт окружающим и самому велосипедисту. В общем, пользуемся только в экстренных ситуациях.
Плюсы велосипедной сирены:
- меньше риска попасть в ДТП;
- заблаговременное предупреждение о своем приближении;
- в экстренных случаях, когда необходимо не снижать скорость и доехать до пункта назначения как можно бы быстрее.
- резкий раздражающий звук;
- дополнительное нагромождение на руль;
- может вызвать интерес у ДПС.
Купить веломигалку не проблема – всем известный сайт Aliexpress изобилует подобными товарами, среди которых попадаются и очень хорошие варианты, например, Cyclotech. Также все это встречается в специализированных магазинах.
Текст видео
Поддержать канал: 4038 9682 7483 9865
Указатель поворотов и аварийного сигнала для велосипеда собран на распространенной микросхеме к155лн1.импортным аналогом является микросхема SN7404Генератор формирует одиночные импульсы, которые поступают в нагрузку в качестве которой выступают светодиоды,управление светодиодами осуществляется двумя кнопками S2 — S3 и переключателем S1 с фиксацией.При нажатии на кнопку S2-«левый поворот» включается светодиод с левой стороны, при нажатии на кнопку S3-«правый поворот» включается светодиод с правой стороны.При нажатии переключателя S1-«аварийная отановка» — включаются оба светодиода одновременноРезистором R2 — задается частота вспышек светодиодов.Питание схемы 3.7-5воль
реле поворотов, реле, поворотники, своими руками, ваз, светодиодные поворотники, мотоцикл, relay, повороты, велосипед, bike, реле поворотов для светодиодов, 2109, автоэлектрика, аварийка, спасибо, замена реле поворотов, замена реле поворотов ваз 2101 на 2106, классика, сигнал, мотоцикл минск, габариты, светодиоды, тюнинг, электронное реле поворотов, указатель, указатель поворотов, доработка реле поворотов на тракторе, реле поворотов на тракторе, световые указатели поворотов на рс57, реле-прерыватель рс-57, удлинитель, аварийка на велосипед, electromechanics (industry), реле поворотов для указателей на светодиодах, как узнать, как проверить, автомобили, путаю, поворота, сигналы, поворотов, ваз 2101, преобразователь напряжения, простой блокинг генератор, дв передатчик, св передатчик, ам передатчик простой, радиопередатчик, блокинг-генератор, замена реле поворотов ваз 2101, ваз 2106, лампы поворота, на велосипед своими руками, реле ваз, схема реле, указатель поворотов ваз, мигалка на велосипед, поворотник, сирена, сигнал поворота, сделай сам, пищалка, вело, велоаксессуар, поворотники для мотоцикла, пит-байк, лента в багажник, подсветка под бампер, поворотники своими руками, как сделать поворотники, пит байк, мото, велосезон, звуковой сигнал, делай, аксессуар, полезное, повороты на велосипед, указатель поворота, реле поворота, звук, указатель поворода своими руками, схема, устройство, электроника, самоделка, гуделка, сделал, простой передатчик, на полевом транзисторе, 2107, удлинитель поворотов, класика, avtovaz, auto show (event), vaz-2107 (automobile model), реле поворотов для скутера, реле 23.3747, ремонт реле поворотов, реле для поворотников, реле 71.3777-04, реле поворотов нива, реле 231.3747, нива реле поворотов, панель приборов, снять панель приборов, детекторный, 21099, приемник, на, транзисторе, одном, 2108, подключение светодиодов, ваз — 2107, снять панель приборов на класике, реле поворотів, заміна реле поворотів, трехконтактное реле, панель приборів, реле для led, поворотники diy, f-80, антенна по сети 220в, rw6hhh, электроника для велосипеда, сенсор своими руками, ставрооль, передатчик по сети, 85t03h, sub85n03, генератор на полевом транзисторе, irf3711, 70n03s, fdb7030, fdb6670, электронный сенсор, как сделать сенсор, сенсор касанием, bs170, самодельный сенсор, полевой транзистор, как сделать поворотники на велосипед самому, поворотники на велосипед, кп501, сенсор на bs170, простой сенсор, сенсор включить выключить, сенсор на транзисторе, самый простой сенсор, сенсор на mosfet, сенсор на полевике, повторитель поворотников, тюнинг киа рио, обратная, 12 вольт, пробник, связь, функция, lada, маргает, рабочее, провод, в магазине, купил, проверка, подключить, плюс, минус, contacts, bought, реле прерыватель указателей поворота, function, подключение реле поворотов, мастер, принцип работы реле поворотов, распиновка реле поворотов, reverse, 12 volt, plug, store, minus, wire, tester, working, контакты, лада, питард, стробоскопы, петардмастер, светодиодные стробоскопы, поворотники на мопед, поворотники на мотоцикл, mico, рамиль абдуллин, переделка реле, изменение реле, автоэлектрик, видеоуроки, лампочки, автоэлектроника, стробоскопы на мотоцикл, реле поворотов ваз, electronic, check, in the garage, master, 2110, petard, check relay electronic, в гараже, ваз 2109, реле поворотов ваз — 2109, ваз 2109-2115, реле поворотов от ваз 2110, сделать, проверка реле на калину, как проверить реле поворотов, как работает реле поворотов, уаз, лайф хак, релюшка, как починить, блоги обо всем, в чем проблема, лайфхак, установка светодиодных ламп в повороты, реле с регулировкой частоты мигания, реле поворотов с регулировкой частоты, как подключить реле поворотов, установка реле поворотов, лед лампа в авто
Электрическая схема и описание
Велосипедная мигалка представляет собой 2-х или 4-х-светодиодную систему. Для наглядности приведем и тот, и другой варианты:
Цепь на 4 светодиода в общем состоит из:
- 2 транзистора (VT) – управляющий элемент электросхемы;
- пара резисторов (R) – отвечают за преобразование тока в напряжение и наоборот;
- 2 конденсатора – С1 и С2 ─ соответственно определяют электроемкость цепи;
- SA1 – выключатель – смыкает и размыкает электрическую цепь.
Мигание ламп обеспечивают конденсаторы – накопители электричества. Вся емкость конденсаторов расходуется на вспышки. Как только энергия будет растрачена, лампа выключится, до тех пор пока конденсатор вновь не напитается через цепь.
Веломигалка: характеристики, плюсы и минусы
Итак, посмотрим, что есть полицейская мигалка на велосипед. В качестве примера возьмем стандартный комплект, который был изображен на картинке:
- сигнально-световой прибор;
- пульт переключения сигналов;
- провод;
- крепления под мигалку и пульт управления звуком.
Классическая сирена работает от батареек, они вставляются в середину сигнально-светового корпуса:

Кнопка включения/отключения света расположена на нижней стенке корпуса. Через крепление он устанавливается на видимое место для окружающих – середину или края руля (если установлена обычная световая фара). Чуть сбоку, и насколько позволяет провод, крепится пульт управления сигналом. С помощью кнопок на нем можно выбрать один из сигнальных режимов.
Мигалка для велосипеда может быть использована в нескольких случаях:
- в спорных ситуациях на проезжей части: например, проезд прямо там, где поток машин сворачивает направо (но правила разрешают ехать прямо), при проезде по главной дороге, завершении маневра на красный свет (чтобы подождали и успели пропустить) и пр.;
- предупредительные сигналы пешеходам и другим велосипедистам;
- вы являетесь представителем велополиции.
Зачастую сигналки на велик ставят из чистого любопытства. Ну что же, дело каждого. Стоит напомнить, что светодиоды мигалки проблескивают достаточно ярко, а сигнал раздражающий, что доставит дискомфорт окружающим и самому велосипедисту. В общем, пользуемся только в экстренных ситуациях.
Плюсы велосипедной сирены:
- меньше риска попасть в ДТП;
- заблаговременное предупреждение о своем приближении;
- в экстренных случаях, когда необходимо не снижать скорость и доехать до пункта назначения как можно бы быстрее.
- резкий раздражающий звук;
- дополнительное нагромождение на руль;
- может вызвать интерес у ДПС.
Купить веломигалку не проблема – всем известный сайт Aliexpress изобилует подобными товарами, среди которых попадаются и очень хорошие варианты, например, Cyclotech. Также все это встречается в специализированных магазинах.
Мигалки на транзисторах
Самый простой вариант – светодиодная мигалка на одном транзисторе. Из схемы видно, что база транзистора висит в воздухе. Такое нестандартное включение позволяет ему работать как динистор.
Светодиодная мигалка на одном транзисторе
При достижении порогового значения возникает пробой структуры, открытие транзистора и разрядка конденсатора на светодиод. Такая простая мигалка на транзисторе может найти применение в быту, например, в небольшой елочной гирлянде. Для ее изготовления понадобятся вполне доступные и недорогие радиоэлементы. Светодиодная мигалка, сделанная своими руками, придаст немного шарма пушистой новогодней красавице.
Можно собрать похожее устройство уже на двух транзисторах, взяв детали из любой радиоаппаратуры, отслужившей свой срок. Схема мигалки приведена на рисунке.
Схема мультивибратора на двух транзисторах для простой мигалки
Для сборки понадобятся:
- резистор R = 6,8–15 кОм – 2 штуки;
- резистор R = 470–680 Ом – 2 штуки;
- транзистор n-p-n-типа КТ315 Б – 2 штуки;
- конденсатор C = 47–100 мкФ – 2 штуки;
- маломощный светодиод или светодиодная лента.
Диапазон рабочего напряжения 3–12 вольт. Подойдет любой источник питания с такими параметрами. Эффект мигания в данной схеме достигается поочередным зарядом и разрядом конденсаторов, влекущим за собой открытие транзисторов, в результате чего появляется и исчезает ток в цепи светодиода.
Светодиоды с миганием можно получить, подключив выводы к нескольким разноцветным элементам. Встроенный генератор выдает поочередно импульсы на каждый цвет. Частота моргающего импульса зависит от заданной программы. Таким веселым миганием можно порадовать ребенка, если установить устройство в детскую игрушку, например, машинку.
Неплохой вариант получится, если взять трехцветный мигающий светодиод, имеющий четыре вывода (один общий анод или катод и три вывода управления цветом).
Еще один простой вариант, для сборки которого понадобятся батарейки типа CR2032 и резистор сопротивлением от 150 до 240 Ом. Мигающий светодиод получится, если последовательно соединить все элементы в одной схеме, соблюдая полярность.
Мигающий светодиод
Если получается собрать веселые огоньки по простейшей схеме, можно перейти к более сложной конструкции.
Схема мигалки на светодиодах
Данная схема мигалки на светодиодах работает следующим образом: при подаче напряжения на R1 и заряжении конденсатора С1, на нем растет напряжение. После того как оно достигнет 12 В, происходит пробой p-n-перехода транзистора, что увеличивает проводимость и вызывает свечение светодиода. При падении напряжения транзистор закрывается, и процесс идет сначала. Все блоки работают примерно на одной частоте, если не учитывать небольшую погрешность. Схему мигалки на светодиодах с пятью блоками можно собрать на макетной плате.
Макет мигалки на транзисторах
Собираем «крякалку» на дому
Оригинальный клаксон, сделанный своими руками, обойдется вам всего в 200-500 рублей — именно столько будут стоить детали, которые необходимы для его создания. Вам понадобятся:
- металлический корпус, в котором разместится устройство;
- несимметричный мультивибратор или электронное устройство для велосипеда;
- транзисторы Кт 805 или Кт 819;
- светодиоды;
- обычные конденсаторы и резисторы;
- микросхема TDA 2005;
- динамик;
- выключатель.

Схема устройства на несимметричном вибраторе
Питание на мультивибратор подается от аккумулятора машины. Для того чтобы звуковой сигнал был мощным, необходимо собрать усилитель — с этой целью используется мостовая схема, собранная на основе микросхемы TDA 2005.
Собранные своими руками усилитель низких частот и мультивибратор, помещенные в металлический корпус, крепятся на радиаторе. Звук, который издает наш самодельный клаксон-«крякалка», идет от динамической головки — вы можете использовать либо обычную советскую 25 гд, либо аналогичную. Ее нужно поместить под капотом автомобиля и подключить к выходу усилителя.

Схема включения усилителя мощности
Сигнал, имитирующий кряканье, подается на несимметричный мультивибратор нажатием кнопки. Затем он проходит через усилитель, который делает звук мощнее и отрывистее. Чтобы «крякалка», собранная своими руками, звучала громче, можно установить динамическую головку в трубу из металла длиной 20-30 см. Две такие самодельные установки, спрятанные под капотом, создадут невероятно мощный звуковой эффект.

Полученное устройство
В заключение хотим предупредить тех, кто решит своими руками сделать такой клаксон, что использование этого сигнала не разрешено законодательством и может наказываться штрафом.
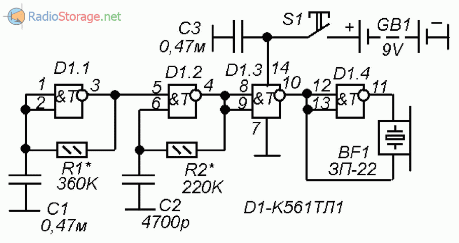
Принципиальная схема
Схему можно увидеть на рисунке в тексте. Схема построена вокруг одной КМОП-микросхемы — К561ТЛ1.
![]()
Рис. 1. Принципиальная схема простого электронного звонка для велосипеда.
Это четыре логических элемента «2И-НЕ», как у К561ЛА7, но с встроенными триггерами Шмитта. Наличие триггеров Шмитта, в данном случае, позволяет строить RC-мультивибратор минимум на одном элементе (у К561ЛА7 — минимум на двух).
Звук состоит из основного тона частотой около 1500-2000 Гц и прерывающего частотой около 8-10 Гц. Генератор основного тона выполнен на логическом элементе D1.2. Частота зависит от цепи C2-R2 и регулируется подбором сопротивления R2. Генератор прерывания выполнен на логическом элементе D1.1. Частота прерывания зависит от цепи C1-R1 и регулируется подбором сопротивления R1.
С выхода генератора тона импульсы поступают на мостовой усилитель на логических элементах D1.3 и D1.4. Они инвертируют импульсы. Пьезоэлектрический звукоизлучатель BF1 включен между выходами этих элементов, и на него поступают противофазные импульсы.
В результате фактический размах переменного напряжения на BF1 оказывается удвоенным. Соответственно, и громкость звука больше.
Что лучше: звонок или гудок

В некоторых странах езда на велосипеде, не оснащенном устройством, издающим звуковой сигнал, запрещена. На наших дорогах байки со звоночками или клаксонами – большая редкость. Тем не менее, если решили укомплектовать свой велик подобным прибором, стоит определиться с выбором. В данном случае следует руководствоваться правилами эксплуатации:
- На спокойных трассах пользоваться приборами, издающими более спокойный и привычный звук.
- На шумных и оживленных участках дороги использовать устройства, издающие резкий, но не очень раздражающий звук.
Соответственно, только вам решать, чем лучше пользоваться: гудком или звонком. В любом случае среди пневматических устройств можно найти достаточно много моделей, которые будут справляться с поставленной задачей.
Мигалки для велосипеда

Встретить велосипед в темноте на современных дорогах и тротуарах не редкость. Для кого-то это неприятная неожиданность, так как велосипедист не позаботился о своей видимости и никак не обозначает себя для окружающих. Уважающая себя часть велосипедистов так делать не станет и в обязательном порядке снабдит свои транспортные средства электронными устройствами: фонарями, мигающими катафотами, колпачками и т.д.
В число новшеств вошла мигалка на велосипед – аналог той, которую приходится видеть на полицейских авто, грузовиках пожарной службы и машинах скорой помощи. Она также выступает хорошим инструментом для обозначения на дороге среди участников движения, а также обладает рядом своих отличительных особенностей.
Шаг 3: Установка выключателей поворотников.

Я использовал переключатели от старой игрушечной клавиатуры. Подсоедините оба переключателя к оставшемуся USB кабелю, причём левую группу проводов подключите к одному переключателю, а правую к другому.

Теперь проверьте работоспособность вашей сборки.
Сначала включите все три фонарика. Если у мигалок много режимов работы, то оптимальным вариантом будет установить центральной фонарик в немигающий режим, а боковые в мигающий.

Соедините оба разъёма USB кабеля. Теперь вы сможете включать и выключать фонарики с помощью двух переключателей: один тумблер включает и выключает левую мигалку, а другой включает и выключает правую.
Установка кабеля и выключателей на велосипед зависит от типа вашего велосипеда и использованных выключателей.

USB кабеля длиной 1,83 метра должно быть более чем достаточно, чтобы его можно было протянуть от руля до задней части велосипеда. Не натягивайте провод слишком туго, так как должен оставаться запас кабеля на случай поворотов руля.
Сборку из мигалок установите на тоже самое крепление, которое использовалось для установки центрального фонарика. Во время закрепления фонариков на доску, убедитесь, что она не будет мешать закреплению центрального фонарика на своё крепление.

Переключатели я закрепил с помощью хомутов и изоленты по краю тормозных ручек.

USB кабель можно подсоединить к велосипедной раме с помощью большего количества хомутов. Необходимо оставить несколько дюймов провисающего кабеля между рулём и рамой. Кабель проводите аккуратно, чтобы случайно не натянуть тормозные тросики.
Как сделать велосипедный гудок самостоятельно
Рассмотрим, как соорудить простейший пневматический гудок на велосипед у себя дома. Стоит ли заниматься этим или купить простой клаксон – сугубо индивидуально. Здесь кратко опишем процедуру изготовления.
Итак, нам понадобятся:
- пластиковая бутылка в хорошем состоянии, емкость 1 л;
- клапан: большой на бутылку и маленький под дудку;
- смесительный шланг-подвод;
- автомобильный ниппель;
- металлическая дудка;
- резиновая накладка, тросик, рычажок;
- крепления под бутылку, дудку и рычаг.
Интересует вот такой результат:
1 – бутылка, 2 – клапан; 3 – шланг; 4 – дудка; 5 – ниппель для накачки воздуха; 6 – крепления
Итак, последовательность сборки пневмогудка своими руками:
- В крышку бутылки врезать автомобильный ниппель. Здесь прибегаем к услугам шиномонтажки. Через ниппель в дальнейшем будем закачивать воздух в емкость.
- В дне, на противоположной стороне, делается отверстие под клапан. Размеры следует вычислить максимально точно, а после установки детали влить на дно бутылки кипятка – так стянутся края и емкость станет герметичной. Дополнительно снаружи стык можно обработать герметиком. Клапан будет отвечать за выпуск воздуха в шланг.
- Прикрутить шланг к клапану.
- Установить маленький клапан у основания дудки (по аналогии с бутылкой). Сверху на него насадить резиновую накладку. Соединяем с тросиком и направляем к рулю. Тросик сцепляем с рычагом так, чтобы натяжение было почти на максимуме.
- Подсоединить шланг к дудке.
Работать пневмогудок будет так: при оттягивании рычага от себя через трос происходит открытие клапана, это заставляет открываться клапан на бутылке. В результате этого происходит выпуск воздуха наружу в дудку. На высоком давлении в емкости звук получится очень резким, поэтому не стоит перекачивать бутылку
При самостоятельной сборке очень важно соблюсти точность, иначе система работать не будет. Здесь стоит подумать, что проще и выгодней – самостоятельно искать запчасти с креплениями и тратить время на сборку или же купить готовый вариант
Светодиодная мигалка с низковольтным питанием
Случается, что в качестве источника питания выступает батарейка с напряжением 1,5 или 3 вольта. Этого напряжения явно недостаточно, чтобы светодиод ярко светился. В электронных схемах питание на него чаще всего подается через транзистор, на котором падает 0,7 В, так что светодиод в таком случае не будет гореть совсем. В этом случае применяется специальная схема, где дополнительное напряжение создает электролитический конденсатор.
В момент включения питания оба транзистора закрыты, и конденсатор С2 заряжается через резисторы R3, R2, напряжение на нем растет. Конденсатор С1 заряжается через резисторы R1, R2, напряжение на нем также растет. В итоге открывается транзистор VT1, который, в свою очередь, открывает транзистор VT2. В результате источник питания и конденсатор С2 включаются последовательно, и на светодиод подается повышенное напряжение питания. По мере разряда конденсатора С2 светодиод гаснет. Далее цикл повторяется.
С заботой о четвероногих напарниках
Автомобили для K9 должны быть оснащены специальным оборудованием, чтобы гарантировать безопасность четвероногому полицейскому.
Согласно Autowise, в автомобилях для K9 обязательно установлены кондиционеры, чтобы не дать собаке перегреться.
Источник даже упоминает о многочисленных несчастных случаях ранее, когда собаки умирали от теплового удара из-за того, что их оставляли в закрытом транспортном средстве. В дополнение к надлежащему охлаждению собаки должны быть в безопасности в специальной клетке в автомобиле, которая изготовлена ??на заказ. Эти модификации стоят тысячи долларов, но K9 достойны должной заботы во время работы, как и любой другой член команды.
Крепление за колесо на стене
Популярный вариант, экономящий место на полу. Достаточно установить держатель за переднее колесо на стену. Крепеж требует применения силы при подвешивании, снятии велосипеда, особенно если это не сверхлегкое оборудование.
Приспособление подойдет, если планируется разместить двухколесного коня в углу комнаты. Подвешивание может быть выполнено за счет крючков, размещенных на стене.

Второй вариант – комбинированное крепление для хранения велосипеда на стене, включающее:
Если нужно решение, выполняющее крепежную функцию и привлекательное внешне, стоит поискать красочные дизайнерские кронштейны, украшающие квартиру. Можно подвесить велосипед даже над кроватью, диваном.
Более практичный вариант – повесить его в прихожую, поближе к выходу, защитив стену, например, моющимися обоями.
Сборка крепления
Этот этап самый ответственный. Нужно точно сделать разметку под отверстия анкеров.
Если отверстия в стене будут немного не совпадать с отверстиями в стене, то камни могут не стать на свои места. Сверлим стену, вставляем анкера, вешаем камни.
Между камнями, примерно на высоте верхней трубы рамы ставим потолочный анкер с крючком.
Вот и всё. Крепление для велосипеда на стену готово. Осталось поставить велосипед колёсами на камни, а раму привязать шнурком к верхнему анкеру.

Когда велосипед снимаем с крепления, получаем декоративный элемент в виде двух камней на стене. Может кто-нибудь захочет повторить самоделку. Стоимость пару копеек, работы на полчаса.

Ну, вот и пришло время заканчивать статью. Весь материал, которым я хотела поделиться – рассмотрен. Надеюсь, он Вам будет полезен, и вы будете им пользоваться при необходимости сделать крепление для велосипеда на стену.Совершенствуйтесь в собственных практических навыках и получайте все новые знания, как говорят: «Учиться никогда не поздно!» На этом все, спасибо за внимания, удачного и легкого ремонта!
Шаг 4: Распаиваем контакты переключателя
![]()
![]()
Определить, к какому контакту переключателя какой провод припаивается, не составит труда. Посмотрите на переключатель снизу. Вы увидите две группы контактов, разделенные ребром. Эти группы независимы друг от друга. Одна группа контактов будет использоваться для положительной цепи, другая – для отрицательной (земли).
Фото №1: seat stays. Соедините плюсовой вывод батареи с контактом «С» переключателя (красный провод), а минусовой – с контактом «D» (черный провод). Если рычажок переключателя перевести вправо, то замкнутся контакты «С» и «Е», а также контакты «D» и «F». Если переключатель перевести в другую сторону, замкнутыми окажутся контакты «С» и «А», и контакты «D» и «В». Когда переключатель находится в среднем положении, все контакты разомкнуты, и оба фонаря будут выключены.
Фото №2: Припаяйте «плюс» батарейного отсека к контакту «С», а «минус» – к контакту «D» переключателя. Затем припаяйте два красных провода к контактам «Е» и «А», а два черных провода к контактам «F» и «В».
Возможности сигнализации с пультом
При любом воздействии на велосипед от вора сигнализация начинает издавать громкий звук до 120 дБ, данный уровень шума сопровождается болью для ушей, а также привлекает внимание окружающих. Особые настройки позволяют замедлить срабатывание защитной системы, чтобы избежать активации сигнализации из-за рядом проезжающего авто
При частых ложных срабатываниях владельцу часто придётся отвлекаться попусту
Особые настройки позволяют замедлить срабатывание защитной системы, чтобы избежать активации сигнализации из-за рядом проезжающего авто. При частых ложных срабатываниях владельцу часто придётся отвлекаться попусту.
Если райдер использует защиту с пультом, на него поступает звуковое уведомление о срабатывании сирены и возможной попытке угона.






























